您好!欢迎访问湖南梅托科技有限公司官方网站!
您值得信任的称重专家
关于称重:只有您想不到,没有我做不到
联系方式
15675863771(微信同号)
0731-84447566
您当前的位置: 首页>>产品解决方案>>称重传感器

称重传感器

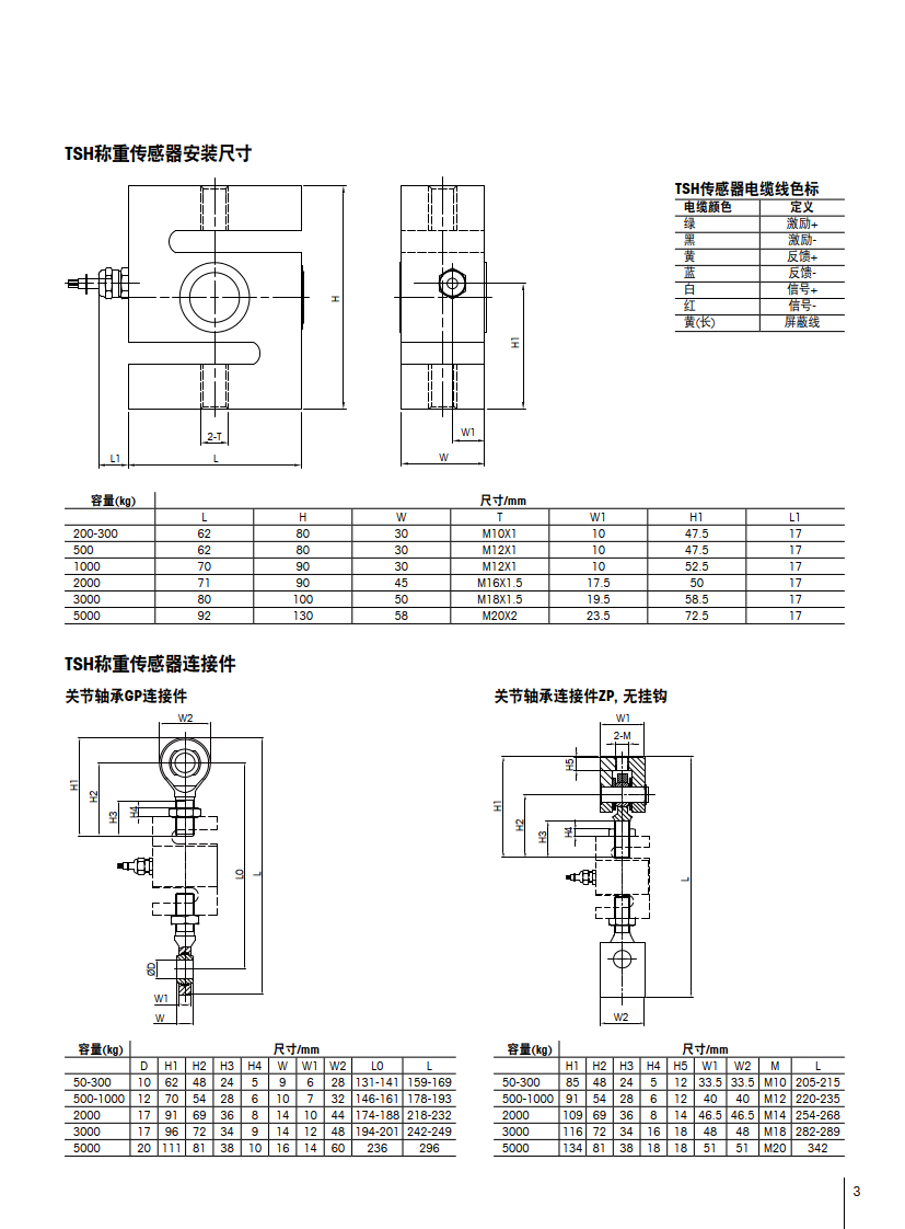
TSH系列称重传感器
TSH系列称重传感器
  • 产品详情